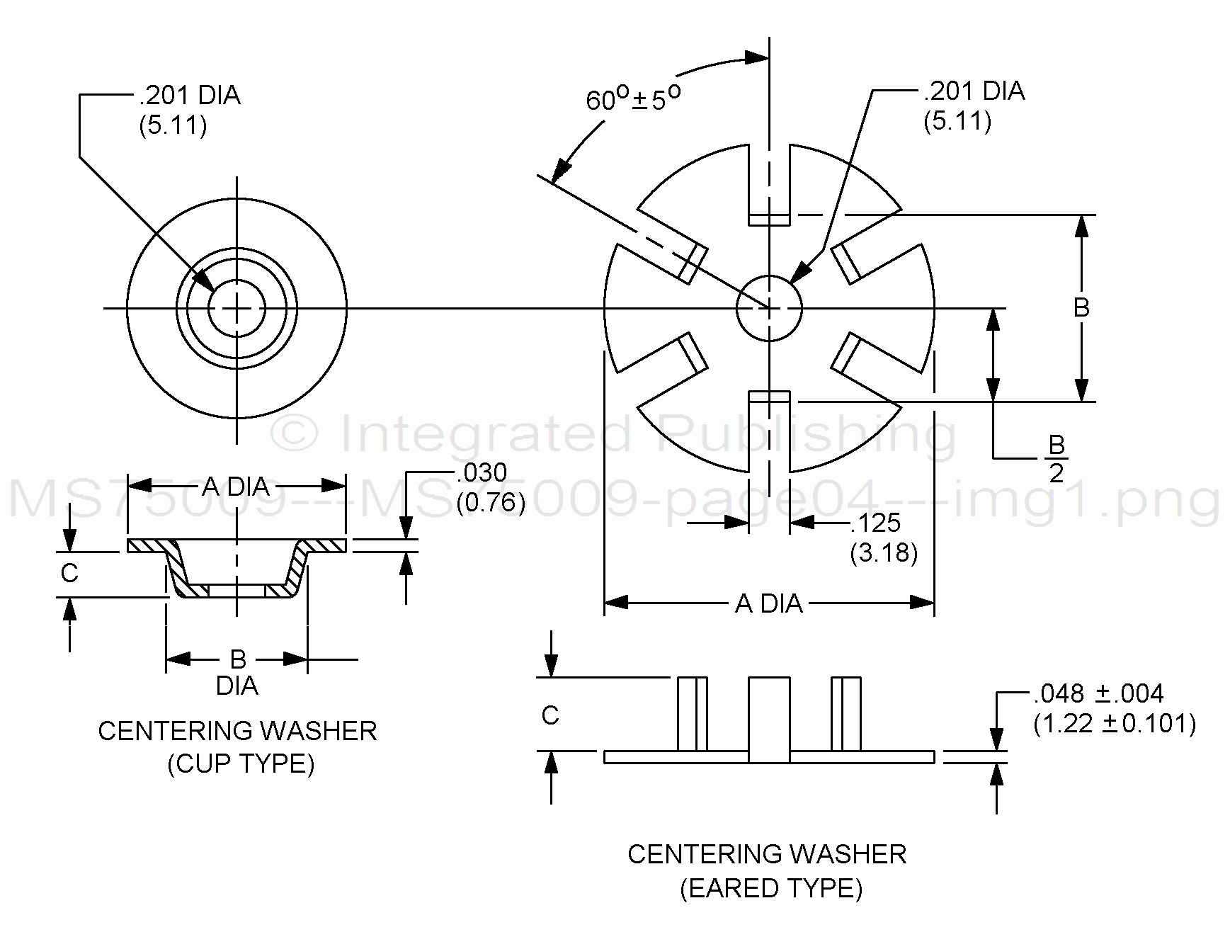
MS75009J

Inches |
mm |
Inches |
mm |
.005 |
0.13 |
.250 |
6.35 |
.031 |
0.79 |
.463 |
11.76 |
.045 |
1.14 |
.684 |
17.37 |
.125 |
3.18 |
.750 |
19.06 |
.156 |
3.96 |
1.125 |
25.58 |
Dash no. 1/ |
Type |
Centering washer dim. |
||
A |
B |
C |
||
-5 |
Cup |
.750 |
.463 +.005 -.000 |
.156 |
-6 |
Eared |
1.125 |
.684 |
.250 |
1/ The dash number added to the MS military specification number constitutes the MS part number; for example: MS75009-1.
NOTE:
1. Dimensions are in inches.
2. Metric equivalents are given for general information only.
3. Unless otherwise specified, tolerance is ±0.005 (0.13 mm) on decimals.
4. Centering washer shall be steel conforming to QQ-S-698, ASTM A109, ASTM A366, or
5. Referenced documents shall be of the issue in effect on date of invitations for bid.
6. For design feature purposes, this specification sheet takes precedence over acquisition documents referenced herein.
FIGURE 3. Centering washer.
4
For Parts Inquires call Parts Hangar, Inc (727) 493-0744
© Copyright 2015 Integrated Publishing, Inc.
A Service Disabled Veteran Owned Small Business