
MIL-PRF-914/4B
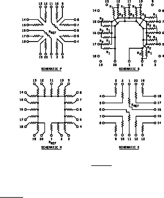
FIGURE 2. Schematics.
6. NOTES
(This section contains information of a general nature that may be helpful, but is not mandatory.
6.1 Intended use. Resistor networks are used in surface mount applications where space is a major concern.
7
For Parts Inquires call Parts Hangar, Inc (727) 493-0744
© Copyright 2015 Integrated Publishing, Inc.
A Service Disabled Veteran Owned Small Business