
MIL-PRF-83530/1C
(Copies of these documents are available online at https://assist.daps.dla.mil/quicksearch/ or
https://assist.daps.dla.mil or from the Standardization Document Order Desk, 700 Robbins Avenue, Building 4D,
Philadelphia, PA 19111-5094).
2.3 Order of precedence. In the event of a conflict between the text of this document and the references cited
herein (except for related specification sheets), the text of this document takes precedence unless otherwise noted.
Nothing in this document, however, supersedes applicable laws and regulations unless a specific exemption has been
obtained.
3. REQUIREMENTS
3.1 General. The requirements for acquiring the product described herein shall consist of this document and
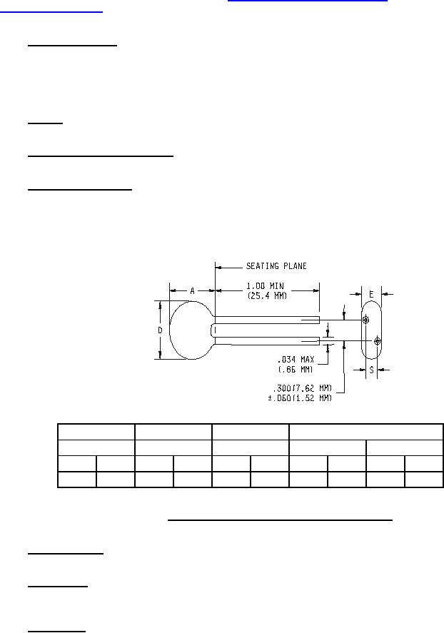
3.2 Interface and physical dimensions. Varistors shall meet the interface and physical dimensions specified on
figure 1, as applicable.
3.3 Nominal varistor voltage. The nominal varistor voltages applicable to this specification shall be as specified in
O
table I. For varistors operated at ambient temperatures in excess of 85 C, the nominal varistor voltage shall be
derated in accordance with figure 2.
A
D
E
S
Max
Max
Max
Min
Max
Inch
mm
Inch
mm
Inch
mm
Inch
mm
Inch
mm
1.10
27.94
.95
24.13
.32
8.13
.054
1.37
.26
6.60
FIGURE 1. Style RVS10 varistors, dimensions and configuration.
3.4 Voltage tolerance. The nominal varistor voltage tolerances applicable to this specification shall be as specified
in table I.
3.5 Voltage rating. The voltage rating applicable to parts covered by this specification shall be as specified in
table I. For varistors operated at ambient temperatures in excess of 85OC, the voltage shall be derated in accordance
with figure 2.
3.6 Energy rating. The energy rating applicable to parts covered by this specification shall be as specified in
table I. For varistors operated at ambient temperatures in excess of 85OC, the voltage shall be derated in accordance
with figure 2.
2