
MIL-PRF-83401/15B
Inches
mm
Inches
mm
.002
0.05
.050
1.27
.004
0.10
.075
1.91
.005
0.13
.250
6.35
.006
0.15
.305
7.75
.010
0.25
.325
8.26
.019
0.48
.350
8.89
.035
0.89
.375
9.53
.045
1.14
.825
20.96
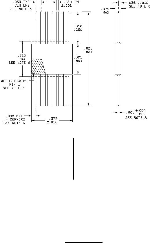
NOTES:
1. Dimensions are in inches.
2. Metric equivalents are given for general information only.
3. Unless otherwise specified, tolerances are ±.005 inch (0.13 mm).
4. The picturization of the style above is given as representative of the envelope item. Slight deviations
from the outline shown, which are contained within the envelope and do not alter the functional aspects of
the device, are acceptable.
5. Terminal centerline to centerline measurements made at point of emergence of the lead from the body.
6. Measurement made at point of emergence of the lead from the body.
7. Pin 1 locator shall be a dot, notch, stripe, or numeral 1 adjacent to pin no. 1, in the shaded area.
8. This dimension includes all platings and coatings.
9. This dimension allows for off-center lid, meniscus, and glass overrun.
FIGURE 1. Style RZ150 resistors.
5
For Parts Inquires call Parts Hangar, Inc (727) 493-0744
© Copyright 2015 Integrated Publishing, Inc.
A Service Disabled Veteran Owned Small Business