
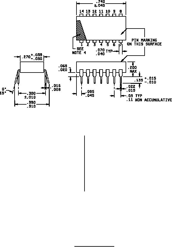
MIL-PRF-83401/13B
Inches mm
Inches
mm
.070
1.78
.008
0.20
.085
2.16
.010
0.25
.090
2.29
.015
0.38
.110
2.79
.016
0.41
.135
3.43
.020
0.51
.200
5.08
.022
0.56
.270
6.86
.030
0.76
.300
7.62
.035
0.89
.310
7.87
.040
1.02
.350
8.89
.045
1.14
.740 18.80
.065
1.65
NOTES:
1. Dimensions are in inches.
2. Metric equivalents are given for general information only.
3. The picturization of the style above is given as representative of the envelope item. Slight deviations
from the outline shown, which are contained within the envelope and do not alter the functional aspects of
the device, are acceptable.
4. Pin 1 locator shall be a dot, notch, stripe, or numeral 1 adjacent to pin no. 1, in the shaded area.
FIGURE 1. Style RZ130 resistors.
5
For Parts Inquires call Parts Hangar, Inc (727) 493-0744
© Copyright 2015 Integrated Publishing, Inc.
A Service Disabled Veteran Owned Small Business