
MIL-PRF-55182/10E
Inches
mm
0.002
0.05
0.016
0.41
0.032
0.81
0.062
1.57
0.125
3.18
0.150
3.81
0.375
9.53
1.062
26.97
1.186
30.12
1.500
38.10
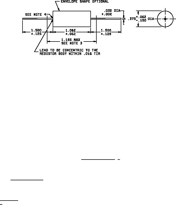
NOTES:
1. Dimensions are in inches.
2. Metric equivalents are given for general information only.
3. The maximum length is "clean lead" to "clean lead".
4. The end of the body shall be that point at which the body diameter equalsthe nearest drill size larger than
250 percent of the nominal lead diameter.
5. Lead length for new design and tape and reel packaging shall be 1.00 inch +.625 inch, -.00 inch (25.4 mm
+15.80 mm, -0.00 mm).
6. Lead concentric tolerance is to be measured at the point of lead egressfrom the resistor body.
*
FIGURE 1. Style RN*75 resistors. 1/
(Unless otherwise indicated, copies of the above specifications, standards, and handbooks are available from the
Document Automation and Production Service, Building 4D, 700 Robbins Avenue, Philadelphia, PA 19111-5094.)
2.3 Order of precedence. In the event of a conflict between the text of this specification and the references cited
herein, the text of this document takes precedence. Nothing in this document, however, supersedes applicable laws
and regulations unless a specific exemption has been obtained.
_________
*
1/ Third letter is variable, dependent upon lead material or capability.
2
For Parts Inquires call Parts Hangar, Inc (727) 493-0744
© Copyright 2015 Integrated Publishing, Inc.
A Service Disabled Veteran Owned Small Business