
MIL-PRF-55182/1P
mm
Inches
mm
Inches
mm
Inches
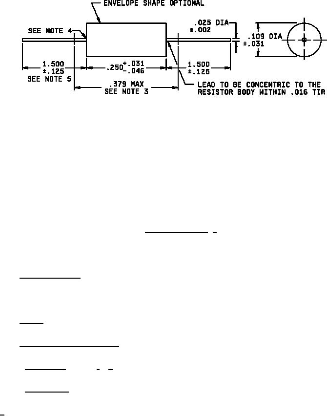
6.35
.250
1.17
.046
0.05
.002
9.63
.379
2.77
.109
0.64
.025
38.10
1.500
3.18
.125
0.79
.031
NOTES:
1. Dimensions are in inches.
2. Metric equivalents are given for general information only.
3. The maximum length is "clean lead" to "clean lead".
4. The end of the body shall be that point at which the body diameter equals the nearest drill size larger than
250 percent of the nominal lead diameter.
5. Lead length for new design and tape and reel packaging shall be 1.00 inch +.625 inch, -.00 inch (25.4 mm
+15.80 mm, -0.00 mm).
6. Lead concentric tolerance is to be measured at the point of lead egress from the resistor body.
*
FIGURE 1. Style RN*55 resistors. 1/
(Unless otherwise indicated, copies of the above specifications, standards, and handbooks are available from the
Document Automation and Production Service, Building 4D, 700 Robbins Avenue, Philadelphia, PA 19111-5094.)
2.3 Order of precedence. In the event of a conflict between the text of this specification and the references cited
herein, the text of this document takes precedence. Nothing in this document, however, supersedes applicable laws
and regulations unless a specific exemption has been obtained.
3. REQUIREMENTS
3.1 General. The requirements for acquiring the product described herein shall consist of this document and MIL-
PRF-55182.
3.2 Interface and physical dimensions. Resistors shall meet the interface and physical dimensions specified on
figure 1.
*
3.2.1 Characteristic. Style RN*55 1/ is available in characteristic C, characteristic E, characteristic H, characteristic
J, and characteristic K.
*
3.2.2 Terminal types. Terminal RNC is inactive for new design when specified with characteristics C and E.
Terminal RNR is inactive for new design with when specified with characteristics H, J, and K.
______
1/ Third letter is variable, dependent upon lead material or capability.
2
For Parts Inquires call Parts Hangar, Inc (727) 493-0744
© Copyright 2015 Integrated Publishing, Inc.
A Service Disabled Veteran Owned Small Business