
MIL-PRF-39035/4G
3.10 Marking. Due to size limitations, this style resistor shall be marked with the following minimum information:
7523A
-
Date code, lot code
FP102MJ
-
Characteristic, terminal, resistance value, failure rate and JAN marking
12345
-
Source code
The complete marking is required on the unit package.
3.11 Weight. The weight is .021 ounces (0.6 grams).
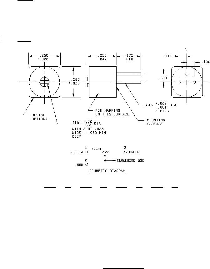
mm
Inches
mm
Inches
mm
Inches
mm
Inches
.001
0.03
.015
0.38
.025
0.64
.172
4.37
.002
0.05
.016
0.41
.100
2.54
.250
6.35
.010
0.25
.020
0.51
.110
2.79
NOTES:
1. Dimensions are in inches.
2. Unless otherwise specified, tolerance is ±.005 (0.13 mm).
3. Metric equivalents are given for general information only.
4. Mounting means are by use of pins only.
5. The picturization of the styles above are given as representative of the envelope of the item. Slight deviations
from the outline shown, which are contained within the envelope, and do not alter the functional aspects of the
device are acceptable.
6. The head of the actuating screw may or may not be flush with or recessed in the body.
FIGURE 1. Style RJR50 resistors.
3
For Parts Inquires call Parts Hangar, Inc (727) 493-0744
© Copyright 2015 Integrated Publishing, Inc.
A Service Disabled Veteran Owned Small Business