
MIL-PRF-39035/3F
.016 DIA.
PIN MARKING
+.001
ON THIS SURFACE
3 PINS
.075 DIA.
.018
± .015
MIN.
(LOCATED IN
SHADED AREA)
.100
3
.250
± .020
2
.100
1
.020
.115
.030
MAX.
.165
.050
.250
.172
± .010
.040
± .020
± .020
MAX.
MIN.
+.010
-.015
.100
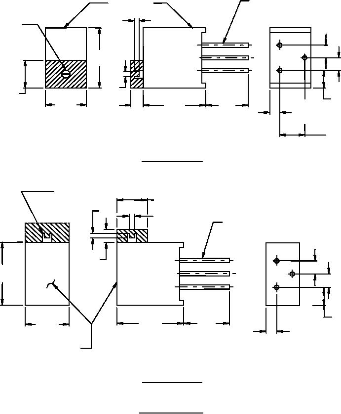
TERMINAL TYPE W
.075
± .025
.115
(LOCATED IN
MAX.
SHADED AREA)
.018
.020
.017 DIA.
± .002
3 PINS
3
.050
MAX.
.100
2
.250
± .020
.100
1
.030
.250
.172
.165
± .010
.040
± .020
MIN.
± .020
+.010
-.015
PIN MARKING
ON THIS SURFACE
TERMINAL TYPE X
FIGURE 1. Style RJR26 resistors - Continued.
5
For Parts Inquires call Parts Hangar, Inc (727) 493-0744
© Copyright 2015 Integrated Publishing, Inc.
A Service Disabled Veteran Owned Small Business