
MIL-PRF-39035/2H
3.9 Pure tin. The use of pure tin, as an underplate or final finish, is prohibited both internally and externally. Tin
content of resistor components and solder shall not exceed 97 percent, by mass. Tin shall be alloyed with a minimum
of 3 percent lead, by mass (see 6.5).
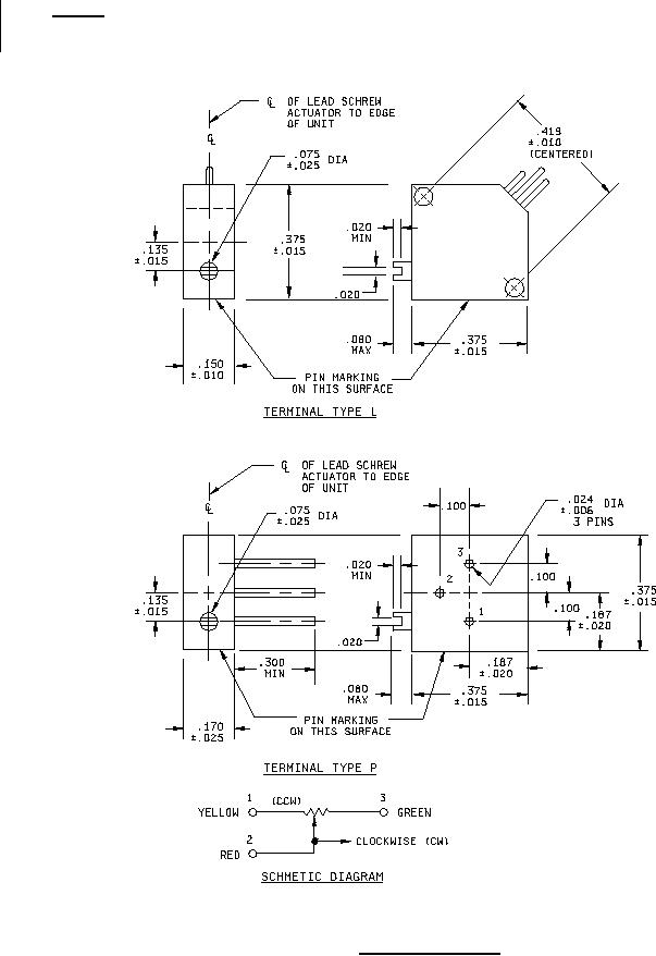
FIGURE 1. Style RJR24 resistors.
3
For Parts Inquires call Parts Hangar, Inc (727) 493-0744
© Copyright 2015 Integrated Publishing, Inc.
A Service Disabled Veteran Owned Small Business