
MIL-PRF-39035/1E
Inches
mm
Inches
mm
Inches
mm
Inches
mm
Inches
mm
Inches
mm
.002
0.05
.025
0.64
.058
1.47
.105
2.67
.190
4.83
.500
12.70
.010
0.25
.028
0.71
.063
1.60
.115
2.92
.250
6.35
.700
17.78
.015
0.38
.031
0.79
.093
2.36
.125
3.18
.300
7.62
1.000
25.40
.022
0.56
.052
1.32
.100
2.54
.135
3.43
.315
8.00
1.250
31.75
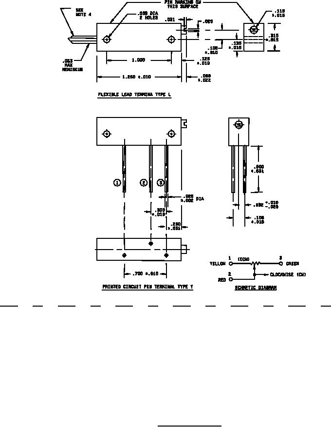
NOTES:
1. Dimensions are in inches. Metric equivalents are given for general information only.
2. Unless otherwise specified, tolerance is ±.005 (0.13 mm).
3. The three leads shall be insulated wire, AWG size 28 to 30, having a minimum length of 6 inches (152.4 mm); they shall be
insulated with polytetrafluoroethylene, stripped .250 ±.062 (6.35 ±1.57 mm) from the end and color coded.
4. The picturization of the styles above are given as representative of the envelope of the item. Slight deviations from the
outline shown, which are contained within the envelope, and do not alter the functional aspects of the device are acceptable.
5. Terminal Y case shall meet all dimension requirements as shown for terminal L case, except as noted.
FIGURE 1. Style RJR12 resistors.
3
For Parts Inquires call Parts Hangar, Inc (727) 493-0744
© Copyright 2015 Integrated Publishing, Inc.
A Service Disabled Veteran Owned Small Business