
MIL-PRF-39023/9B
105 MAX
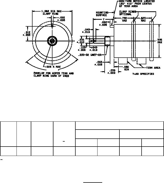
Inches
mm
Inches
mm
Inches
mm
Inches
mm
Inches
mm
.005
0.13
.040
1.02
.080
2.03
.281
7.14
.750
19.05
.010
0.25
.060
1.52
.125
3.18
.312
7.92
.906
23.01
.020
0.51
.062
1.57
.250
6.35
.625
15.88
1.062
26.97
NOTE: Dimensions are in inches. Metric equivalents are given for general information only
Maximum starting and running torque
Maximum
(ounce-inch)
Power
continuous
rating
working
Style
Turns
Single cup
Per each additional cup
(watts)
voltage
1/
(volts)
Starting
Running
Starting
Running
RQ091
1
250
1.0
.05
0.4
0.5
0.4
1/
When 2 single units are ganged, the first cup shall be rated at 85 percent of single unit wattage rating and
second cup shall be rated at 60 percent of rated wattage. When 3 single units are ganged, the first unit
shall be rated at 75 percent, the second at 50 percent, and the third at 60 percent of the rated wattage of
single units.
FIGURE 1. Style RQ091
4
For Parts Inquires call Parts Hangar, Inc (727) 493-0744
© Copyright 2015 Integrated Publishing, Inc.
A Service Disabled Veteran Owned Small Business