
MIL-PRF-39023/8C
Inches
mm
Inches
mm
Inches
mm
Inches
mm
Inches
mm
Inches
mm
.0006
0.02
.010
0.25
.047
1.19
.073
1.85
1.375
34.93
2.031
51.59
.001
0.03
.015
0.38
.062
1.57
.093
2.36
1.875
47.63
2.250
57.13
.005
0.13
.031
0.79
.063
1.60
.250
6.35
2.000
50.80
2.90
73.66
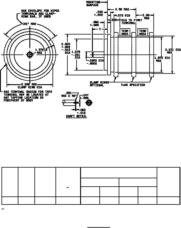
NOTE: Dimensions are in inches. Metric equivalents are given for general information only.
Maximum starting and running torque
Maximum
(ounce-inch)
Stop-
continuous
Power
Per each additional
Torque
Style
Turns
working
rating (watts)
Single cup
cup
1/
(pound-inch)
voltage
(volts)
Starting
Running
Starting
Running
RQ210
10
500
4.5
2.0
1.0
2.0
1.0
8
1/
When 2 single units are ganged, the first cup shall be rated at 85 percent of single unit wattage
rating and second cup shall be rated at 60 percent of rated wattage
FIGURE 1. Style RQ210
4
For Parts Inquires call Parts Hangar, Inc (727) 493-0744
© Copyright 2015 Integrated Publishing, Inc.
A Service Disabled Veteran Owned Small Business