
MIL-PRF-39023/7C
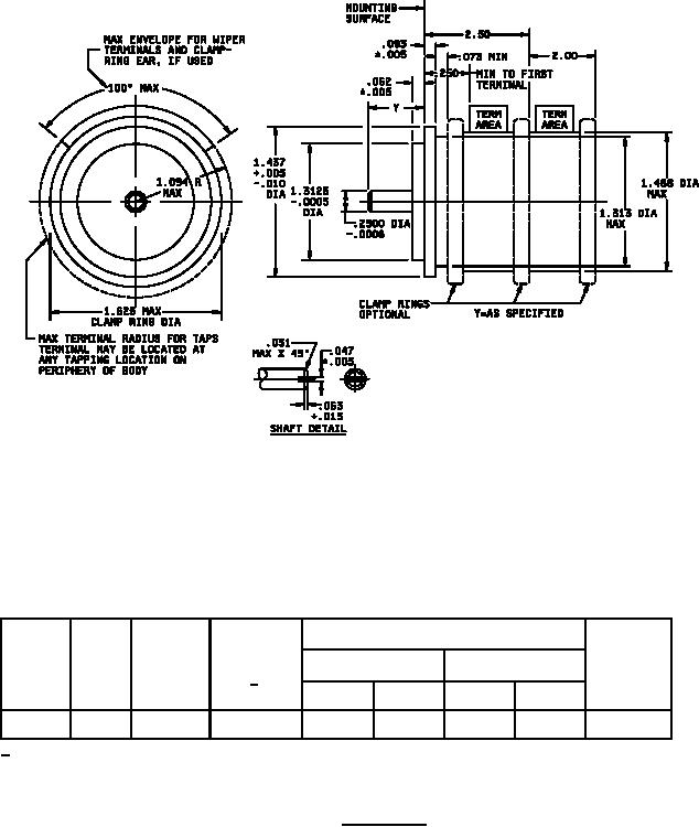
Inches
mm
Inches
mm
Inches
mm
Inches
mm
Inches
mm
Inches
mm
.0005
0.01
.015
0.38
.063
1.60
1.094
27.79
1.468
37.29
2.50
63.50
.0006
0.02
.031
0.79
.073
1.85
1.3125
33.34
1.625
41.28
.005
0.13
.047
1.19
.093
2.36
1.313
33.35
2.00
50.80
.010
0.25
.062
1.57
.250
6.35
1.437
36.50
2.025
57.15
NOTE: Dimensions are in inches. Metric equivalents are given for general information only.
Maximum starting and running torque
Maximum
(ounce-inch)
continuous
Stop-
Power
Per each additional
working
Style
Turns
torque
rating (watts)
Single cup
cup
1/
voltage
(pound-inch)
(volts)
Starting
Running
Starting
Running
RQ160
10
500
3.5
1.5
1.0
1.5
1.0
8
1/
When 2 single units are ganged, the first cup shall be rated at 75 percent of single unit wattage
rating and second cup shall be rated at 60 percent of rated wattage
FIGURE 1. Style RQ160
4
For Parts Inquires call Parts Hangar, Inc (727) 493-0744
© Copyright 2015 Integrated Publishing, Inc.
A Service Disabled Veteran Owned Small Business