
MIL-PRF-39023/5C
Inches
mm
Inches
mm
Inches
mm
Inches
mm
Inches
mm
.0006
0.02
.015
0.38
.063
1.60
.88
22.35
3.000
76.20
.001
0.03
.031
0.79
.073
1.85
1.31
33.27
3.031
76.99
.005
0.13
.047
1.19
.093
2.36
1.750
44.45
3.250
82.55
.010
0.25
.062
1.57
.250
6.35
2.875
73.03
NOTE: Dimensions are in inches. Metric equivalents are given for general information only.
Maximum starting and running torque (ounce-inch)
Maximum continuous
Power
Single Cup
Per each additional cup
Style
Turns
working voltage
Rating (watts)
1/
(volts)
Starting
Running
Starting
Running
RQ300
single
250
3.0
1.5
1.0
1.5
1.0
1/
When 2 single units are ganged, the first cup shall be rated at 75 percent of single unit wattage rating
and second cup shall be rated at 60 percent of rated wattage. When 3 single units are ganged, the first
unit shall be rated at 75 percent, the second at 50 percent, and the third at 60 percent of the rated wattage
of single units.
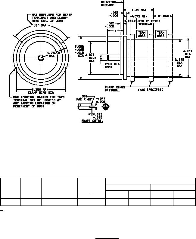
FIGURE 1. Style RQ300
4
For Parts Inquires call Parts Hangar, Inc (727) 493-0744
© Copyright 2015 Integrated Publishing, Inc.
A Service Disabled Veteran Owned Small Business