
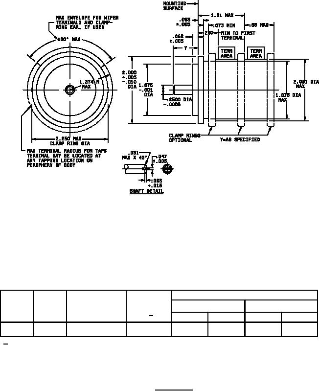
MIL-PRF-39023/4C
Inches
mm
Inches
mm
Inches
mm
Inches
mm
Inches
mm
.0006
0.02
.015
0.38
.063
1.60
.88
22.35
2.000
50.80
.001
0.03
.031
0.79
.073
1.85
1.31
33.27
2.031
51.59
.005
0.13
.047
1.19
.093
2.36
1.375
34.93
2.250
57.15
.010
0.25
.062
1.57
.250
6.35
1.875
47.63
NOTE: Dimensions are in inches. Metric equivalents (to the nearest 0.01 mm) are given for general information
only and are based on 1 inch = 25.4 mm.
Maximum starting and running torque (ounce-inch)
Maximum
Power
continuous
Style
Turns
rating (watts)
Single cup
Per each additional cup
working voltage
1/
(volts)
Starting
Running
Starting
Running
RQ200
single
250
2.0
1.5
1.0
1.5
1.0
1/
When 2 single units are ganged, the first cup shall be rated at 75 percent of single unit wattage rating
and second cup shall be rated at 60 percent of rated wattage. When 3 single units are ganged, the first unit
shall be rated at 75 percent, the second at 50 percent, and the third at 60 percent of the rated wattage of
single units.
Figure 1. Style RQ200
4
For Parts Inquires call Parts Hangar, Inc (727) 493-0744
© Copyright 2015 Integrated Publishing, Inc.
A Service Disabled Veteran Owned Small Business