
MIL-PRF-39023/3C
6.5 Changes from previous issue. The margins of this specification are marked with vertical lines to indicate where
changes from the previous issue were made. This was done as a convenience only and the Government assumes no
liability whatsoever for any inaccuracies in these notations. Bidders and contractors are cautioned to evaluate the
requirements of this document based on the entire content irrespective of the marginal notations and relationship to
the last previous issue.
Inches
mm
Inches
mm
Inches
mm
Inches
mm
Inches
mm
.0005
0.01
.015
0.38
.063
1.60
.88
22.35
1.313
33.35
.006
0.02
.031
0.79
.073
1.85
1.06
26.92
1.437
36.50
.005
0.13
.047
1.19
.093
2.36
1.094
27.79
1.468
37.29
.010
0.25
.062
1.57
.025
6.35
1.3125
33.32
1.625
41.28
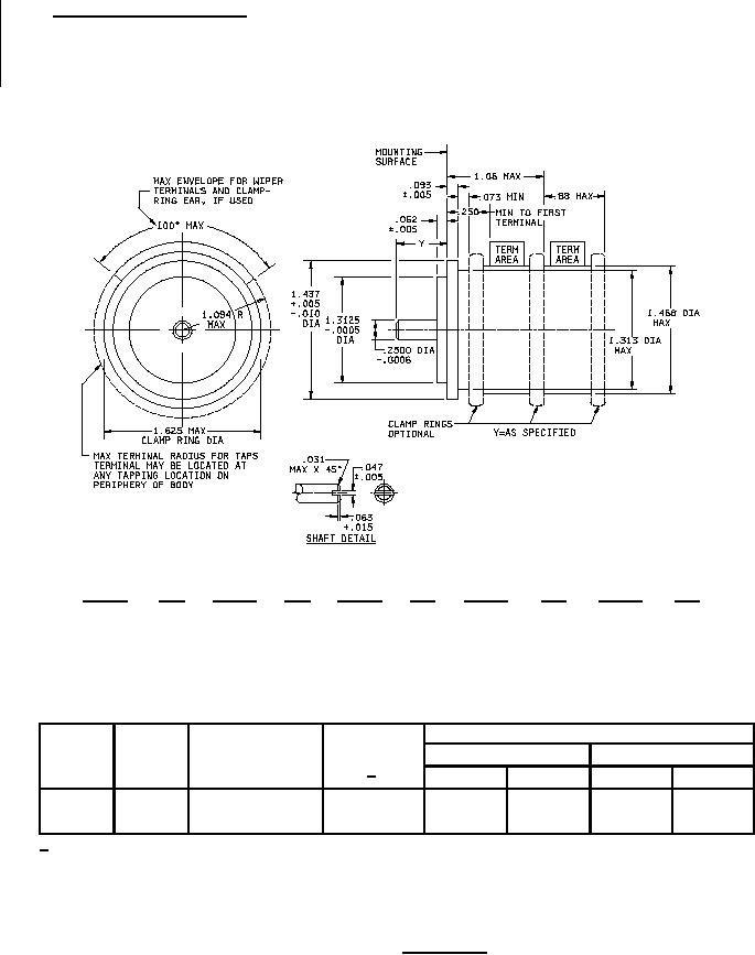
NOTE: Dimensions are in inches. Metric equivalents are given for general information only
Maximum starting and running torque (ounce-inch)
Power
Maximum continuous
Single cup
Per each additional cup
rating (watts)
Style
Turns
working voltage
1/
(volts)
Starting
Running
Starting
Running
RQ150
single
250
1.5
1.0
0.8
1.0
0.8
1/
When 2 single units are ganged, the first cup shall be rated at 75 percent of single unit wattage rating
and second cup shall be rated at 60 percent of rated wattage. When 3 single units are ganged, the first unit
shall be rated at 75 percent, the second at 50 percent, and the third at 60 percent of the rated wattage of
single units.
FIGURE 1. Style RQ150
4
For Parts Inquires call Parts Hangar, Inc (727) 493-0744
© Copyright 2015 Integrated Publishing, Inc.
A Service Disabled Veteran Owned Small Business