
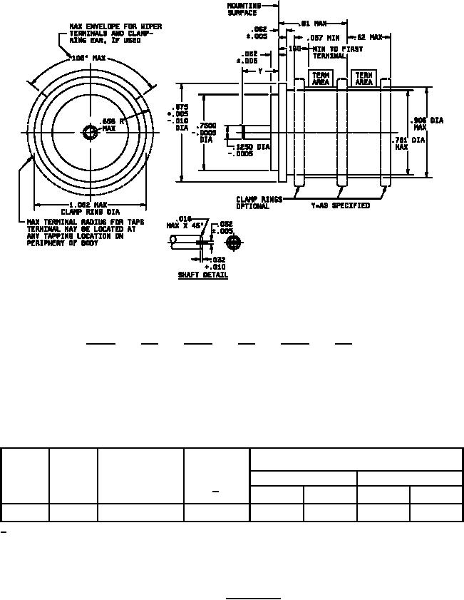
MIL-PRF-39023/1C
Inches
mm
Inches
mm
Inches
mm
.0005
0.01
.062
1.57
.781
19.84
.005
0.13
.125
3.18
.810
20.57
.010
0.25
.160
4.06
.875
22.23
.016
0.41
.620
15.75
.906
23.01
.032
0.81
.656
16.66
1.062
26.97
.057
1.45
.750
19.05
NOTE: Dimensions are in inches. Metric equivalents are given for general information only.
Maximum starting and running torque
Maximum
Power
(ounce-inch)
continuous
rating (watts)
Style
Turns
Single cup
Per each additional cup
working voltage
1/
(volts)
Starting
Running
Starting
Running
RQ090
single
250
1.0
0.5
0.4
0.5
0.4
1/
When 2 single units are ganged, the first cup shall be rated at 75 percent of single unit wattage rating
and second cup shall be rated at 60 percent of rated wattage. When 3 single units are ganged, the
first unit shall be rated at 75 percent, the second at 50 percent, and the third at 60 percent of the rated
wattage of single units.
FIGURE 1. Style RQ090
4
For Parts Inquires call Parts Hangar, Inc (727) 493-0744
© Copyright 2015 Integrated Publishing, Inc.
A Service Disabled Veteran Owned Small Business