
MIL-PRF-39017/1P
Inches
mm
.002
0.05
.008
0.20
.016
0.41
.025
0.64
.031
0.79
.046
1.17
.090
2.29
.125
3.18
.250
6.35
.300
7.62
1.500
38.10
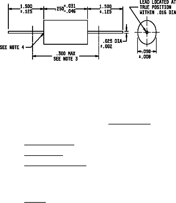
NOTES:
1.Dimensions are in inches.
2.Metric equivalents are given for general information only.
3.Maximum length is "clean lead" to "clean lead".
4.The end of the body shall be that point at which the body diameter equals the nearest drill size larger
than 250 percent of the nominal lead diameter.
5.Lead length for tape and reel packaging shall be 1 inch (25.4 mm) minimum (see 6.2).
FIGURE 1. Style RLR07 resistor.
4. VERIFICATION
4.1 Sampling and inspection. Sampling and inspection shall be in accordance with MIL-PRF-39017.
4.2 Power conditioning. The maximum voltage applied shall not exceed 250 volts, ac or dc.
4.3 Dielectric withstanding voltage. The test voltages applicable to style RLR07 are as follows:
Atmospheric pressure - 500 volts rms.
Barometric pressure - 250 volts rms.
5. PACKAGING
5.1 Packaging. For acquisition purposes, packaging requirements shall be as specified in the contract
or order (see 6.2). When actual packaging of materiel is to be performed by DoD personnel, these
personnel need to contact the responsible packaging activity to ascertain requisite packaging
requirements. Packaging requirements are maintained by the Inventory Control Point's packaging
activity within the Military Department or Defense Agency, or within the Military Department's System
Command. Packaging data retrieval is available from the managing Military Department's or Defense
Agency's automated packaging files, CD-ROM products, or by contacting the responsible packaging
activity.
3
For Parts Inquires call Parts Hangar, Inc (727) 493-0744
© Copyright 2015 Integrated Publishing, Inc.
A Service Disabled Veteran Owned Small Business