
MIL-PRF-39009/1D
Resistor
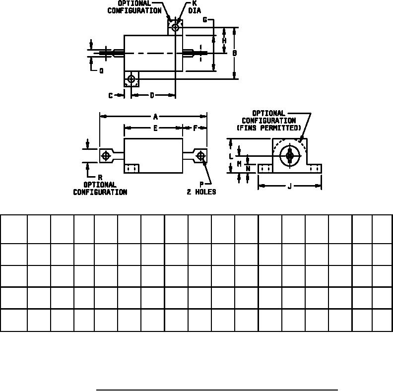
A
B
C
D
E
F
G
H
J
K
L
M
N
P
Q
R
style
±.062
±.010
±.031
±.010
±.062
±.062
±.062
±.031
±.031
±.005
±.031
±.062
±.031
±.005
min
min
(1.57)
(0.25)
(0.79)
(0.25)
(1.57)
(1.57)
(1.57)
(0.79)
(0.79)
(0.13)
(0.79)
(1.57)
(0.79)
(0.79)
AWG
RER60
1.125 0.490 0.078 0.444 0.600 0.266
0.334
0.245
0.646 0.093
0.320
0.133
0.065
0.050
16
0.085
(28.58) (12.45) (1.98) (11.28) (15.24) (6.76)
(8.48)
(6.22)
(16.41) (2.36)
(8.13)
(3.38)
(1.65)
(1.27)
(2.16)
RER65
1.375 0.625 0.094 0.562 0.750 0.312
0.438 0.312
0.812 0.094
0.406 0.203
0.094
0.085
12
0.140
(34.93) (15.88) (2.39) (14.27) (19.05) (7.92)
(11.13) (7.92)
(20.62) (2.39)
(10.31) (5.16)
(2.39)
(2.16)
(3.56)
RER70
1.938 0.781 0.172 0.719 1.062 0.438 0.531 0.391
1.094 0.125
0.562 0.281
0.094
0.085
12
0.140
(49.23) (19.84) (4.37) (18.26) (26.97) (11.13) (13.49) (9.93)
(27.79) (3.18)
(14.27) (7.14)
(2.39)
(2.16)
(3.56)
RER75
2.781 0.844 0.188 1.562 1.938 0.438 0.594 0.422 1.156 0.125
0.625 0.312
0.094
0.085
12
0.140
(70.64) (21.44) (4.78) (39.67) (49.23) (11.13) (15.09) (10.72) (29.36) (3.18)
(15.88) (7.92)
(2.39)
(2.16)
(3.56)
NOTES:
1. All dimensions are in inches.
2. Metric equivalents (to the nearest .01 mm) are given for general information only.
3. Millimeters are in parentheses.
FIGURE 1. Styles RER60, RER65, RER70, and RER75 (inductively wound) resistors.
3
For Parts Inquires call Parts Hangar, Inc (727) 493-0744
© Copyright 2015 Integrated Publishing, Inc.
A Service Disabled Veteran Owned Small Business