
MIL-PRF-39005/2F
5. PACKAGING
5.1 Packaging. For acquisition purposes, the packaging requirements shall be as specified in the
*
contract or order (see 6.2). When packaging of materiel is to be performed by DoD or in-house
contractor personnel, these personnel need to contact the responsible packaging activity to ascertain
packaging requirements. Packaging requirements are maintained by the Inventory Control Point's
packaging activities within the Military Service or Defense Agency, or within the military service's system
commands. Packaging data retrieval is available from the managing Military Department's or Defense
Agency's automated packaging files, CD-ROM products, or by contacting the responsible packaging
activity.
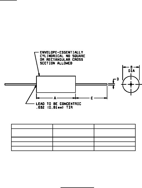
Dimension
Inches
Millimeters
0.750 +0.020
19.05 +0.51
A
-0.032
-0.81
0.375 ±0.015
9.52 ±0.38
B
C
1.500 min
38.10 min
0.032 ±0.002
0.81 ±0.05
D
NOTES:
1. Dimensions are in inches.
2. Metric equivalents are given for general information only.
3. Dimension A is 'clean lead to clean lead'.
4. Resistance measurement points for all values of resistance shall be
.375 ±.0625 (9.53 mm ±1.588 mm) from the end of the body.
*
FIGURE 1. Style RBR53 resistor.
3
For Parts Inquires call Parts Hangar, Inc (727) 493-0744
© Copyright 2015 Integrated Publishing, Inc.
A Service Disabled Veteran Owned Small Business