
MIL-PRF-39005/11C
3.5 Power rating. Power rating shall be 0.1 watt.
3.6 Maximum voltage. Maximum voltage shall be 100 volts direct current or peak.
3.7 Maximum weight. The maximum weight shall be 0.4 gram for style RBR80 and 0.55 gram for style
RBR81.
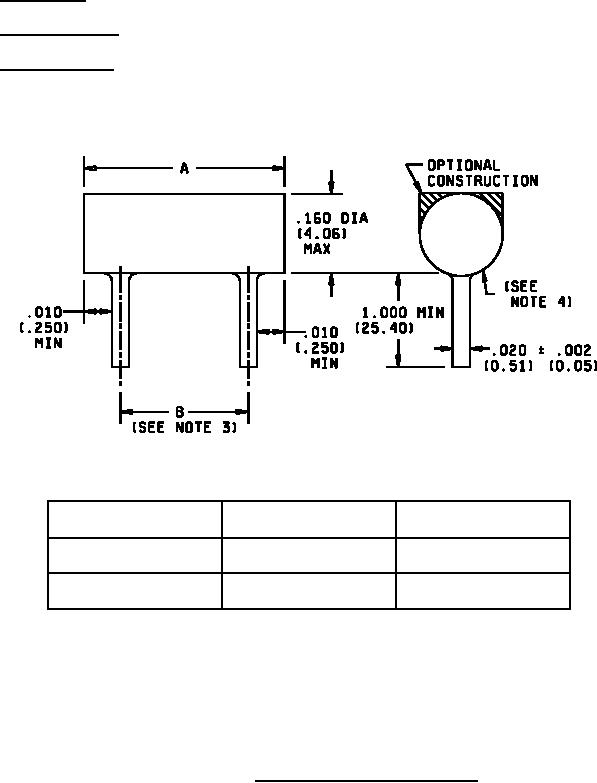
B, ±0.005
Style
A, Max
(0.13)
RBR80
0.325
0.225
(8.26)
(5.72)
RBR81
0.500
0.400
(12.70)
(10.16)
NOTES:
1. Dimensions are in inches.
2. Metric equivalents are in parenthesis.
3. The lead measurements shall be made at the point of emergence from the body.
4. Leads are to be clean and solderable to within 0.005 (0.13mm) from the resistor body.
5. Resistance measurement points for all values of resistance shall be
.375 ±.0625 (9.53 mm ±1.588 mm) from the end of the body.
FIGURE 1. Style RBR80 and RBR81 resistor.
*
3
For Parts Inquires call Parts Hangar, Inc (727) 493-0744
© Copyright 2015 Integrated Publishing, Inc.
A Service Disabled Veteran Owned Small Business