
MIL-PRF-23648/9C
2.3 Order of precedence. In the event of a conflict between the text of this document and the
references cited herein, the text of this document takes precedence. Nothing in this document, however,
supersedes applicable laws and regulations unless a specific exemption has been obtained.
3. REQUIREMENTS
3.1 Requirements. Requirements shall be in accordance with MIL-PRF-23648, and as specified herein.
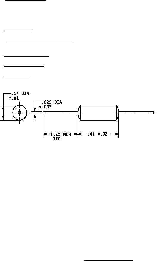
3.2 Interface and physical dimensions. The thermistors shall meet the interface and physical
dimensions as specified on figure 1 and herein.
3.3 Thermal time constant. The thermal time constant shall be 60 seconds maximum.
3.4 Dissipation constant. The dissipation constant shall be 5 milliwatts per degrees Celsius minimum.
3.5 Power rating. The thermistor shall be capable of dissipating a maximum power of 0.5 watts at 25°C.
Thermistors shall be derated in accordance with figure 2.
Inch
mm
0.08
0.003
0.51
0.02
0.64
0.025
3.56
0.14
10.41
0.41
1.25
31.75
NOTES:
1. Dimensions are in inches.
2. Metric equivalents are given for general information only.
FIGURE 1. Style RTH22 thermistors.
2
For Parts Inquires call Parts Hangar, Inc (727) 493-0744
© Copyright 2015 Integrated Publishing, Inc.
A Service Disabled Veteran Owned Small Business