
MIL-PRF-23648/19C
2.3 Order of precedence. In the event of a conflict between the text of this document and the
references cited herein, the text of this document takes precedence. Nothing in this document, however,
supersedes applicable laws and regulations unless a specific exemption has been obtained.
3. REQUIREMENTS
3.1 Requirements. Requirements shall be in accordance with MIL-PRF-23648, and as specified herein.
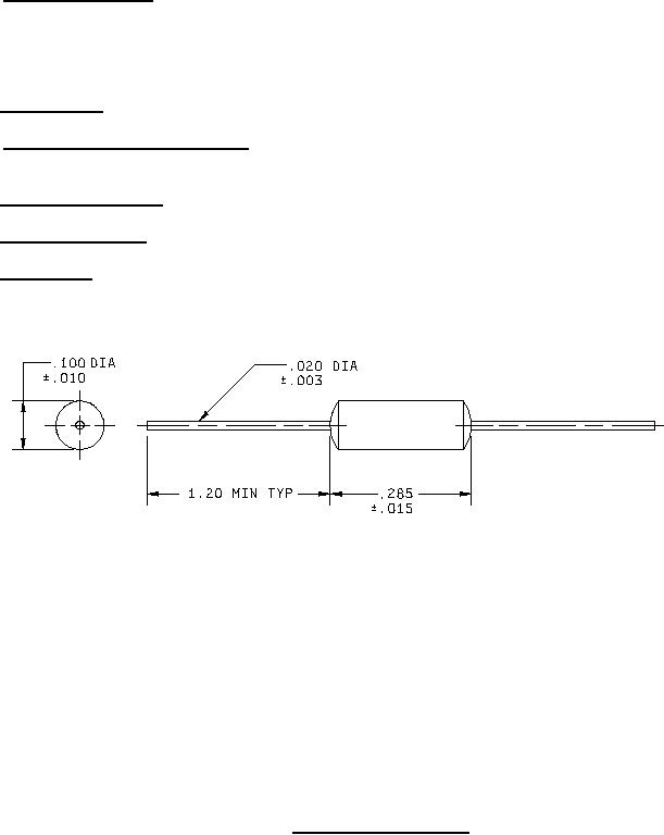
3.2 Interface and physical dimensions. The thermistors shall meet the interface and physical
dimensions as specified on figure 1 and herein.
3.3 Thermal time constant. The thermal time constant shall be 60 seconds maximum.
3.4 Dissipation constant. The dissipation constant shall be 2.5 milliwatts per degrees Celsius minimum.
3.5 Power rating. The thermistor shall be capable of dissipating a maximum power of 0.25 watts at
25°C. Thermistors shall be derated in accordance with figure 2.
Inch
mm
0.08
0.003
0.25
0.010
0.38
0.015
0.51
0.020
2.54
0.100
7.24
0.285
1.20
30.48
NOTES:
1. Dimensions are in inches.
2. Metric equivalents are given for general information only.
FIGURE 1. Style RTH42 thermistors.
2
For Parts Inquires call Parts Hangar, Inc (727) 493-0744
© Copyright 2015 Integrated Publishing, Inc.
A Service Disabled Veteran Owned Small Business