
MIL-PRF-22097/4F
DEPARTMENT OF DEFENSE SPECIFICATION
-
Resistor, Variable, Nonwirewound (Adjustment Type), General Specification For.
(Copies of these documents are available online at https://assist.daps.dla.mil/quicksearch/ or from the
Standardization Document Order Desk, 700 Robbins Avenue, Building 4D, Philadelphia, PA 19111-5094).
2.3 Order of precedence. Unless otherwise noted herein or in the contract, in the event of a conflict between the
text of this document and the references cited herein (except for related specification sheets), the text of this
document takes precedence unless otherwise noted. Nothing in this document, however, supersedes applicable
laws and regulations unless a specific exemption has been obtained.
3. REQUIREMENTS
3.1 General. The requirements for acquiring the product described herein shall consist of this document and
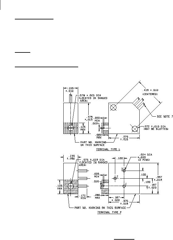
3.2 Interface and physical dimensions. Resistors shall meet the interface and physical dimensions specified on
figure 1, as applicable.
FIGURE 1. Style RJ24.
2
For Parts Inquires call Parts Hangar, Inc (727) 493-0744
© Copyright 2015 Integrated Publishing, Inc.
A Service Disabled Veteran Owned Small Business