
MIL-PRF-19/2D
Inch
mm
.001
0.03
.002
0.05
.005
0.13
.015
0.38
.016
0.41
.030
0.76
.031
0.79
.040
1.02
.047
1.19
.050
1.27
.060
1.52
.062
1.57
.063
1.60
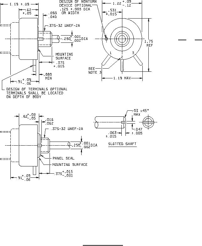
STANDARD BUSHING TYPE
.080
2.03
.090
2.29
.093
2.36
.120
3.05
.125
3.18
.250
6.35
.375
9.53
.531
13.49
.620
15.75
.910
23.11
1.190
30.23
1.220
30.99
1.750
44.45
SHAFT AND PANEL SEAL TYPE
NOTES:
1.
Dimensions are in inches. Metric equivalent are given for general information only
2.
Terminal identification for reference only.
FIGURE 1. Style RA20 Resistors.
4
For Parts Inquires call Parts Hangar, Inc (727) 493-0744
© Copyright 2015 Integrated Publishing, Inc.
A Service Disabled Veteran Owned Small Business