
MIL-PRF-12934/5D
3. REQUIREMENTS
3.1 General. The requirements for acquiring the product described herein shall consist of this document and
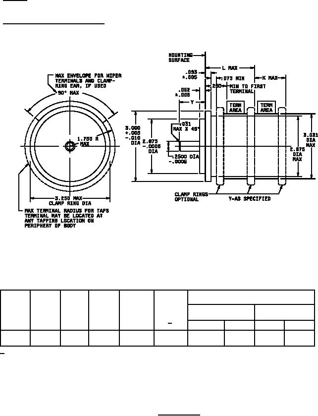
3.2 Interface and physical dimensions. The resistors shall meet the interface and physical dimensions specified in
figure 1.
Inches
mm
Inches
mm
Inches
mm
Inches
mm
Inches
mm
.0006
0.02
.010
0.25
.073
1.85
1.750
44.45
3.031
76.99
.001
0.03
.031
0.79
.093
2.6
2.875
73.03
3.250
82.55
.005
0.13
.062
1.57
.250
6.35
3.000
76.20
Maximum starting and running torque
Maximum
Power
(ounce-inch)
continuous
rating
L
K
Single turn
Per each additional
working
Style
Turns
(watts)
(max)
(max)
single cup
single-turn cup
voltage
1/
(volts)
Starting
Running
Starting
Running
1.312
.875
RR3000
Single
250
6.0
1.5
1.0
1.0
0.8
(33.32)
(22.23)
1/
When single turn units are ganged, the first cup will be full wattage rating, the remaining cups will be 75
percent of rated wattage.
NOTES:
1.
Dimensions are in inches.
2.
Metric equivalents are given for general information only.
FIGURE 1. Style RR3000
3
For Parts Inquires call Parts Hangar, Inc (727) 493-0744
© Copyright 2015 Integrated Publishing, Inc.
A Service Disabled Veteran Owned Small Business