
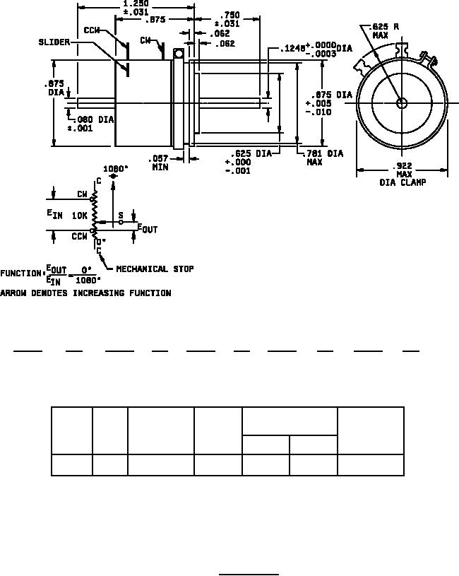
MIL-PRF-12934/36C
mm
Inches
mm
Inches
mm
Inches
mm
Inches
mm
Inches
.0003
0.008
.010
0.25
.062
1.57
.625
16.88
.875
22.23
.001
0.03
.031
0.79
.080
2.03
.750
19.05
.922
23.42
.005
0.13
.057
1.46
.1248
3.17
.781
19.84
1.250
31.75
Maximum
Maximum starting
Power
continuous
Stop torque
and running torque
Style
Turns
rating
working voltage
(pound-inch)
(watts)
Starting
Running
(volts)
RR3601
Three
400
1.5
0.5
0.4
3
NOTES:
1.
Dimensions are in inches.
2.
Metric equivalents are given for general information only.
FIGURE 1. Style RR3601
2
For Parts Inquires call Parts Hangar, Inc (727) 493-0744
© Copyright 2015 Integrated Publishing, Inc.
A Service Disabled Veteran Owned Small Business