
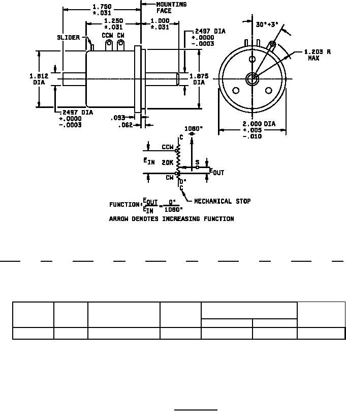
MIL-PRF-12934/33C
Inches
mm
Inches
mm
Inches
mm
Inches
mm
Inches
mm
.003
0.008
.031
0.79
.2497
6.342
1.250
31.75
1.875
47.63
.005
0.13
.062
1.57
1.000
25.40
1.750
44.45
2.000
50.80
.010
0.25
.093
2.36
1.203
30.56
1.812
46.02
Maximum starting and
Maximum continuous
Stop torque
Power rating
running torque
Style
Turns
working voltage
(inch-pound)
(watts)
(volts)
Starting
Running
RR2002
3
250
4.0
1.0
1.0
4
NOTES:
1.
Dimensions are in inches.
2.
Metric equivalents are given for general information only.
FIGURE 1. Style RR2002
2
For Parts Inquires call Parts Hangar, Inc (727) 493-0744
© Copyright 2015 Integrated Publishing, Inc.
A Service Disabled Veteran Owned Small Business