
MIL-PRF-12934/32D
3. REQUIREMENTS
3.1 General. The requirements for acquiring the product described herein shall consist of this document and
MIL-PRF-12934.
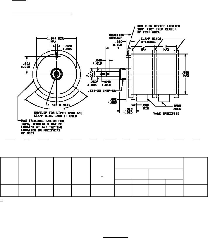
3.2 Interface and physical dimensions. The resistors shall meet the interface and physical dimensions specified in
figure 1.
100 MAX
mm
Inches
mm
Inches
mm
Inches
mm
Inches
mm
Inches
mm
Inches
.002
0.05
.020
0.51
.062
1.57
.250
6.35
.406
10.31
1.844
46.84
.005
0.13
.040
1.02
.080
2.03
.313
7.95
.562
14.27
.010
0.25
.060
1.52
.125
3.18
.375
9.53
1.375
34.93
Maximum starting and running torque
Maximum
(ounce-inch)
continuous Power rating
Stop-torque
L
K
Style
Turns
working
(watts)
Ten-turn
Per each additional
(pound-inch)
(max)
(max)
1/
voltage
single cup
ten-turn cup
(volts)
Starting
Running
Starting
Running
2.094
2.000
RR4100
Ten
500
5.0
2.0
1.0
2.0
1.0
10
(53.19)
(50.80)
1/
When ten turn units are ganged, all cups will be 75 percent of rated wattage.
NOTES:
1.
Dimensions are in inches.
2.
Metric equivalents are given for general information only.
FIGURE 1. Style RR4100
3
For Parts Inquires call Parts Hangar, Inc (727) 493-0744
© Copyright 2015 Integrated Publishing, Inc.
A Service Disabled Veteran Owned Small Business