
MIL-PRF-12934/31F
3. REQUIREMENTS
3.1 General. The requirements for acquiring the product described herein shall consist of this document and
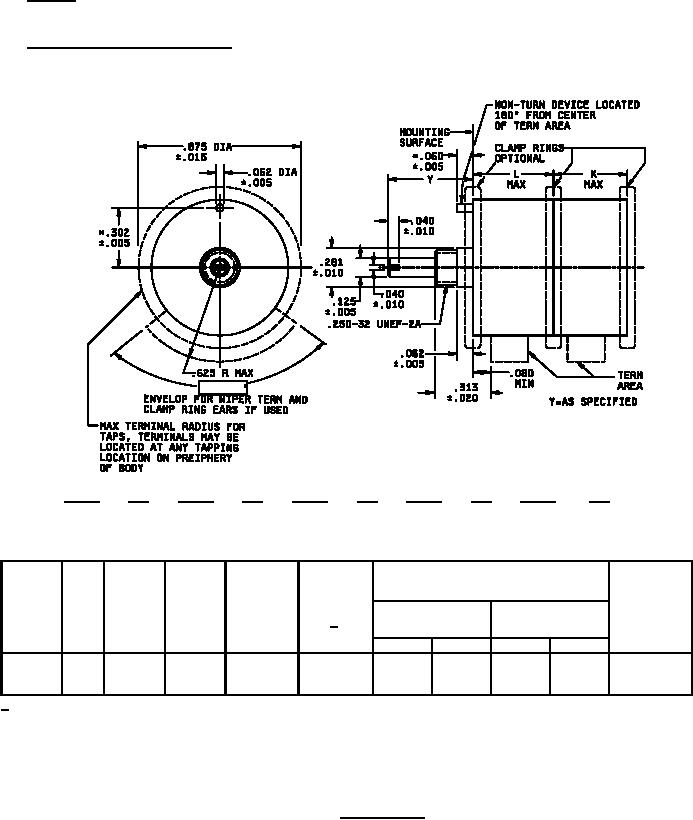
3.2 Interface and physical dimensions. The resistors shall meet the interface and physical dimensions specified in
figure 1.
105 MAX
mm
Inches
Mm
Inches
mm
Inches
mm
Inches
mm
Inches
.005
0.13
.020
0.51
.062
1.57
.250
6.35
.625
15.88
.010
0.25
.040
1.02
.080
2.03
.281
7.14
.875
22.23
.015
0.38
.060
1.52
.125
3.18
.313
7.95
Maximum starting and running torque
Maximum
(ounce-inch)
continuous Power rating
Stop-torque
L
K
Style
Turns
working
(watts)
Ten-turn
Per each additional
(pound-inch)
(max)
(max)
1/
voltage
single cup
ten-turn cup
(volts)
Starting
Running
Starting
Running
1.500
1.500
RR4000
Ten
300
2.0
.7
.6
.6
.5
3
(38.10)
(38.10)
1/
When ten turn units are ganged, all cups will be 75 percent of rated wattage.
NOTES:
1.
Dimensions are in inches.
2.
Metric equivalents are given for general information only.
FIGURE 1. Style RR4000
3
For Parts Inquires call Parts Hangar, Inc (727) 493-0744
© Copyright 2015 Integrated Publishing, Inc.
A Service Disabled Veteran Owned Small Business