
MIL-PRF-12934/29E
3. REQUIREMENTS
3.1 General. The requirements for acquiring the product described herein shall consist of this document and
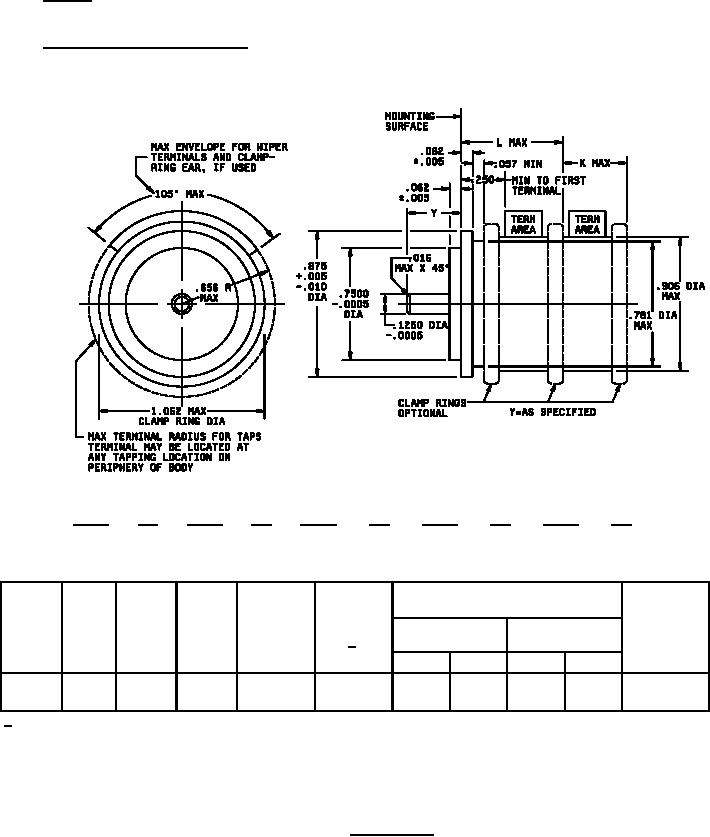
3.2 Interface and physical dimensions. The resistors shall meet the interface and physical dimensions specified in
figure 1.
mm
Inches
mm
Inches
mm
Inches
mm
Inches
mm
Inches
.005
0.01
.016
0.41
.125
3.18
.750
19.05
.906
23.01
.005
0.13
.057
1.45
.250
6.35
.781
19.84
1.062
26.97
.010
0.25
.062
1.57
.656
16.66
.875
22.23
Maximum starting and running torque
Maximum
(ounce-inch)
continuous
Power rating
Stop-torque
L
K
Style
Turns
working
(watts)
Ten-turn
Per each additional
(pound-inch)
(max)
(max)
1/
voltage
single cup
ten-turn cup
(volts)
Starting
Running
Starting
Running
1.219
0.968
RR3800
Five
500
1.5
.5
.4
.4
.3
3
(30.96)
(24.59)
1/
When five turn units are ganged, all cups will be 75 percent of rated wattage.
NOTES:
1. Dimensions are in inches.
2. Metric equivalents are given for general information only.
Figure 1. Style RR3800
3
For Parts Inquires call Parts Hangar, Inc (727) 493-0744
© Copyright 2015 Integrated Publishing, Inc.
A Service Disabled Veteran Owned Small Business