
MIL-PRF-12934/28F
3. REQUIREMENTS
3.1 General. The requirements for acquiring the product described herein shall consist of this document and
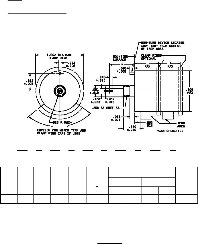
3.2 Interface and physical dimensions. The resistors shall meet the interface and physical dimensions specified in
figure 1.
105 MAX
Inches
mm
Inches
mm
Inches
mm
Inches
mm
Inches
mm
.005
0.13
.040
1.02
.080
2.03
.281
7.14
.906
23.01
.010
0.25
.060
1.52
.125
3.18
.312
7.92
1.062
26.97
.020
0.51
.062
1.57
.250
6.35
.625
15.88
Maximum starting and running torque
Maximum
(ounce-inch)
continuous Power rating
Stop-torque
L
K
Ten-turn
Per each additional
(watts)
working
Style
Turns
(pound-inch)
(max)
(max)
single cup
ten-turn cup
1/
voltage
(volts)
Starting
Running
Starting
Running
1.076
0.940
RR3700
Three
423
1.5
.5
.4
.4
.3
3
(27.33)
(23.88)
1/
When three turn units are ganged, all cups will be 75 percent of rated wattage.
NOTES:
1.
Dimensions are in inches.
2.
Metric equivalents are given for general information only.
FIGURE 1. Style RR3700
3
For Parts Inquires call Parts Hangar, Inc (727) 493-0744
© Copyright 2015 Integrated Publishing, Inc.
A Service Disabled Veteran Owned Small Business