
MIL-PRF-12934/27E
3. REQUIREMENTS
3.1 General. The requirements for acquiring the product described herein shall consist of this document and
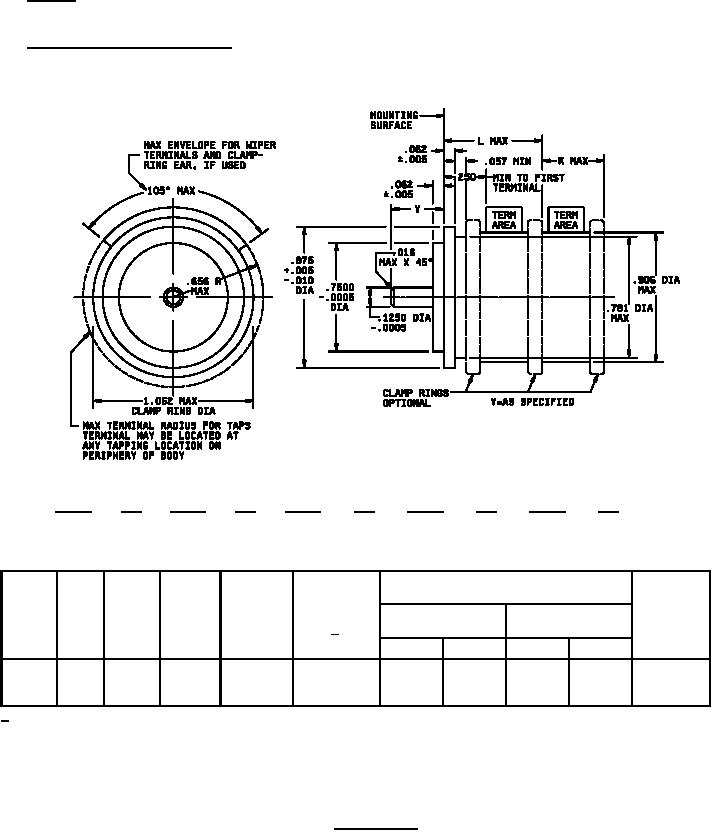
3.2 Interface and physical dimensions. The resistors shall meet the interface and physical dimensions specified in
figure 1.
mm
Inches
mm
Inches
mm
Inches
mm
Inches
mm
Inches
.0005
0.01
.016
0.41
.1250
3.18
.750
19.05
.906
23.01
.005
0.13
.057
1.45
.250
6.35
.781
19.84
1.062
26.97
.010
0.25
.062
1.57
.656
16.66
.875
22.23
Maximum starting and running torque
Maximum
(ounce-inch)
continuous
Power rating
L
K
Stop-Torque
Ten-turn
Per each additional
Style
Turns
working
(watts)
(max)
(max)
(pound-inch)
single cup
ten-turn cup
1/
voltage
(volts)
Starting
Running
Starting
Running
1.076
0.940
RR3600
Three
423
1.5
.5
.4
.4
.3
3
(27.33)
(23.88)
1/
When three turn units are ganged, all cups will be 75 percent of rated wattage.
NOTES:
1. Dimensions are in inches.
2. Metric equivalents are given for general information only.
FIGURE 1. Style RR3600
3
For Parts Inquires call Parts Hangar, Inc (727) 493-0744
© Copyright 2015 Integrated Publishing, Inc.
A Service Disabled Veteran Owned Small Business