
MIL-PRF-12934/2D
3. REQUIREMENTS
3.1 General. The requirements for acquiring the product described herein shall consist of this document and
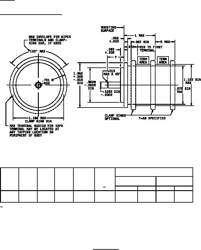
3.2 Interface and physical dimensions. The resistors shall meet the interface and physical dimensions specified in
figure 1
Inches
mm
Inches
mm
Inches
mm
Inches
mm
Inches
mm
.0005
0.01
.015
0.41
.125
3.18
.9688
24.61
1.125
28.58
.005
0.13
.057
1.45
.250
6.35
.975
24.77
1.160
29.46
.010
0.25
.062
1.57
.781
19.84
1.062
26.97
Maximum starting and running torque
Maximum
Power
(ounce-inch)
continuous
rating
L
K
working
Single turn
Per each additional
Style
Turns
(watts)
(max)
(max)
voltage
single cup
single-turn cup
1/
(volts)
Starting
Running Starting Running
.812
.625
RR1100
Single
250
1.5
0.5
0.3
0.35
0.25
(20.62)
(15.88)
1/
When single turn units are ganged, the first cup will be full wattage rating, the remaining cups will be
75 percent of rated wattage.
NOTES:
1.
Dimensions are in inches.
2.
Metric equivalents are given for general information.
FIGURE 1. Style RR1100
3
For Parts Inquires call Parts Hangar, Inc (727) 493-0744
© Copyright 2015 Integrated Publishing, Inc.
A Service Disabled Veteran Owned Small Business