
MIL-PRF-12934/18E
3. REQUIREMENTS
3.1 General. The requirements for acquiring the product described herein shall consist of this document and
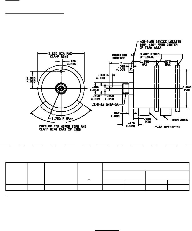
3.2 Interface and physical dimensions. The resistors shall meet the interface and physical dimensions specified in
figure 1.
90 MAX
mm
Inches
mm
Inches
mm
Inches
mm
Inches
mm
Inches
mm
Inches
.005
0.13
.050
1.27
.100
2.54
.375
9.53
1.000
25.40
3.031
76.99
.010
0.25
.060
1.52
.125
3.18
.406
10.31
1.156
29.36
3.250
82.55
.020
0.51
.062
1.57
.250
6.35
.875
22.23
1.750
44.45
Maximum starting and running torque
Maximum
(ounce-inch)
Power rating
continuous
Single-turn,
Per additional
Style
Turns
(watts)
working voltage
single cup
single-turn cup
1/
(volts)
Starting
Running
Starting
Running
RR3500
Single
250
6.0
1.5
1.0
1.0
.8
1/
When single turn units are ganged, the first cup will be full wattage rating, the remaining cups will be 75
percent of rated wattage.
NOTES:
1. Dimensions are in inches.
2. Metric equivalents are given for general information only.
FIGURE 1. Style RR3500
3
For Parts Inquires call Parts Hangar, Inc (727) 493-0744
© Copyright 2015 Integrated Publishing, Inc.
A Service Disabled Veteran Owned Small Business