
MIL-PRF-12934/17E
3. REQUIREMENTS
3.1 General. The requirements for acquiring the product described herein shall consist of this document and
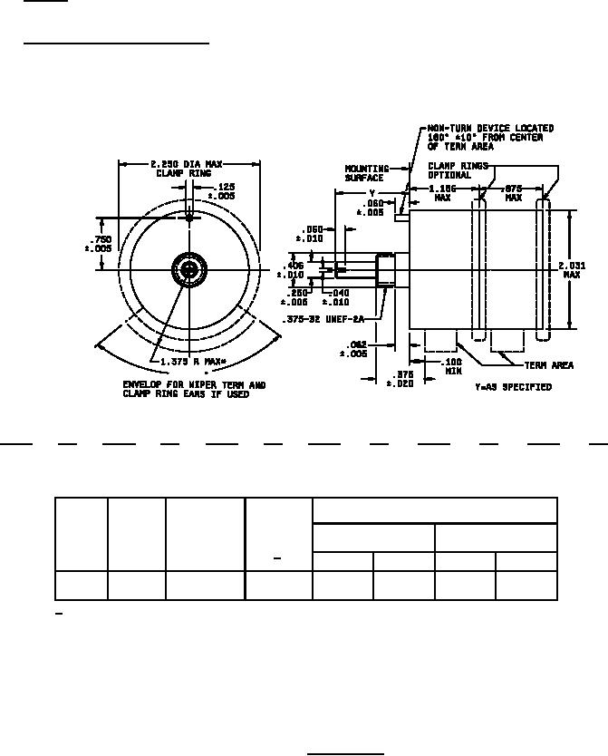
3.2 Interface and physical dimensions. The resistors shall meet the interface and physical dimensions specified in
figure 1.
90 MAX
mm
Inches
mm
Inches
mm
Inches
mm
Inches
mm
Inches
mm
Inches
.005
0.13
.040
1.02
.100
2.54
.375
9.53
.875
22.23
2.031
51.59
.010
0.25
.060
1.52
.125
3.18
.406
10.31
1.156
29.36
2.250
57.13
.020
0.51
.062
1.57
.250
6.35
.750
19.05
1.375
34.93
Maximum starting and running torque
Maximum
Power
(ounce-inch)
continuous
rating
Single-turn,
Per additional
Style
Turns
working
(watts)
single cup
single-turn cup
voltage
1/
(volts)
Starting
Running
Starting
Running
RR3400
Single
250
4.0
1.0
1.0
0.8
0.8
1/
When single turn units are ganged, the first cup will be full wattage rating, the remaining
cups will be 75 percent of rated wattage.
NOTES:
1.
Dimensions are in inches.
2.
Metric equivalents are given for general information only.
FIGURE 1. Style RR3400
3
For Parts Inquires call Parts Hangar, Inc (727) 493-0744
© Copyright 2015 Integrated Publishing, Inc.
A Service Disabled Veteran Owned Small Business