
MIL-PRF-12934/15E
3. REQUIREMENTS
3.1 General. The requirements for acquiring the product described herein shall consist of this document and
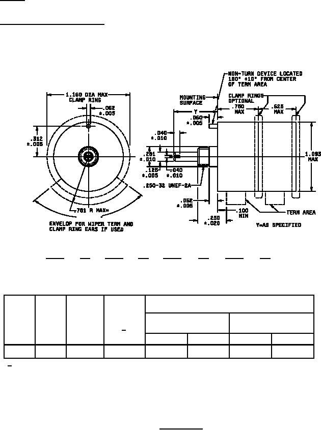
3.2 Interface and physical dimensions. The resistors shall meet the interface and physical dimensions specified in
figure 1.
105 MAX
mm
Inches
mm
Inches
mm
Inches
mm
Inches
.005
0.13
.060
1.52
.250
6.35
.750
19.05
.010
0.25
.062
1.57
.281
7.14
.781
19.84
.020
0.51
.100
2.54
.312
7.92
1.093
27.76
.040
1.02
.125
3.18
.625
15.88
1.160
29.46
Maximum starting and running torque
Maximum
(ounce-inch)
Power rating
continuous
Single-turn,
Per additional
(watts)
working
Style
Turns
single cup
single-turn cup
1/
voltage
(volts)
Starting
Running
Starting
Running
RR3200
Single
250
1.5
0.5
0.4
0.4
0.3
1/
When single turn units are ganged, the first cup will be full wattage rating, the remaining
cups will be 75 percent of rated wattage.
NOTES:
1. Dimensions are in inches.
2. Metric equivalents are given for general information.
FIGURE 1. Style RR3200
3
For Parts Inquires call Parts Hangar, Inc (727) 493-0744
© Copyright 2015 Integrated Publishing, Inc.
A Service Disabled Veteran Owned Small Business