
MIL-PRF-12934/1D
3. REQUIREMENTS
3.1 General. The requirements for acquiring the product described herein shall consist of this document and
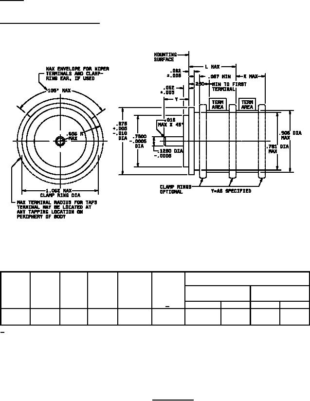
3.2 Interface and physical dimensions. The resistors shall meet the interface and physical dimensions specified in
figure 1.
Inches
mm
Inches
mm
Inches
mm
Inches
mm
Inches
mm
.0005
0.01
.016
0.41
.125
3.18
.750
19.05
.906
23.01
.005
0.13
.057
1.45
.250
6.35
.781
19.84
1.062
26.97
.010
0.25
.062
1.57
.656
16.66
.875
22.23
Maximum starting and running torque
Maximum
(ounce-inch)
Power
continuous
L
K
Single turn
Per each additional
rating
working
Style
Turns
(max)
(max)
single cup
single-turn cup
(watts)
voltage
1/
(volts)
Starting
Running
Starting
Running
.812
.625
RR0900
Single
250
1.25
0.30
0.25
0.20
0.15
(20.62)
(15.88)
1/
When single turn units are ganged, the first cup will be full wattage rating, the remaining cups will be
75 percent of rated wattage.
NOTES:
1. Dimensions are in inches.
2. Metric equivalents are given for general information only.
FIGURE 1. Style RR0900
3
For Parts Inquires call Parts Hangar, Inc (727) 493-0744
© Copyright 2015 Integrated Publishing, Inc.
A Service Disabled Veteran Owned Small Business