
A-A-55512B
TABLE I. Minimum/maximum resistance value and curve.
Resistance (ohms)
Resistance temperature
at +25°C
curve
40 to 250
A
470 to 2.2 k
Y
1.7 k to 33 k
Z
33 k to 100 k
W
47 k to 150 k
M
47 k to 220 k
V
470 k to 1.2 M
P
3.1 M to 40 M
R
3.5 Resistance at temperatures other than 25°C. Resistance of temperatures other than +25°C shall be
as specified in table II.
3.6 Resistance tolerance. The thermistor specified herein is available in resistance tolerances F
(±1 percent), G (±2 percent), J (±5 percent), and K (±10 percent) plus the resistance deviation at specified
temperature as specified in table II.
*
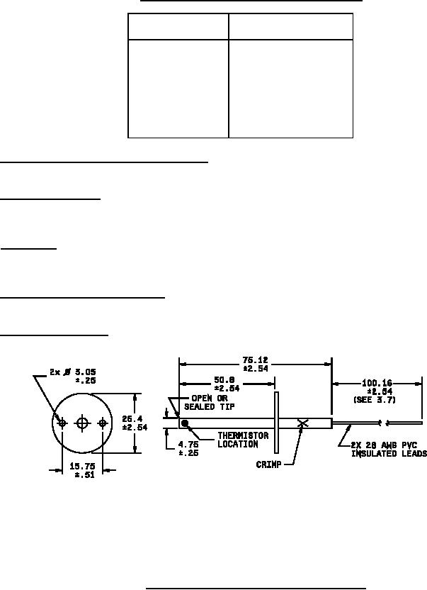
3.7 Lead length. The leads shall be number 28 gauge AWG, black polyvinylchloride (PVC), insulated
wire and are available in 4 inch (10.16 cm), 6 inch (15.24 cm), 12 inch (30.48 cm), or 24 inch (60.96 cm)
lengths.
3.8 Resistance temperature coefficient. The resistance temperature coefficient shall be as specified in
table II.
3.9 Operating temperature. The operating temperature shall be -10°C to +95°C.
*
mm
Inches
mm
Inches
0.25
0.010
15.75
0.62
0.51
0.02
25.4
1.0
2.54
0.10
50.8
2.0
*
3.05
0.12
75.12
2.957
4.75
0.19
100.16
3.9433
FIGURE 1. Resistor, thermally sensitive (thermistor probe).
2
For Parts Inquires call Parts Hangar, Inc (727) 493-0744
© Copyright 2015 Integrated Publishing, Inc.
A Service Disabled Veteran Owned Small Business