
A-A-55502D
*
3.8 Recycled, recovered, environmentally preferable, or biobased materials. Recycled, recovered,
environmentally preferable, or biobased materials should be used to the maximum extent possible
provided that the material meets or exceeds the operational and maintenance requirements, and
promotes economically advantageous life cycle costs.
3.9 Workmanship. Resistors shall be processed in such a manner as to be uniform in quality and shall
be free from other defects that will affect life, serviceability, or appearance.
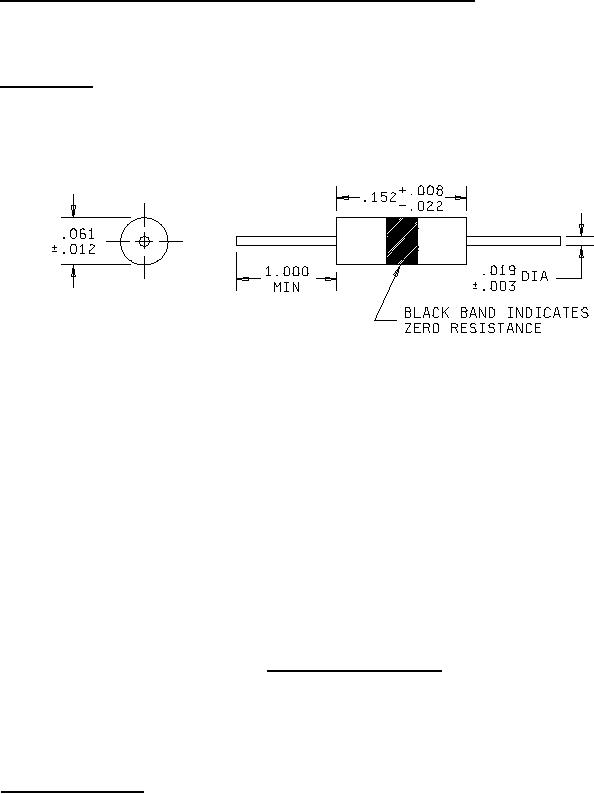
Inches
mm
.003
0.08
.008
0.20
.012
0.30
.019
0.48
.022
0.56
.061
1.55
.152
3.86
1.000
25.4
NOTES:
1. Dimensions are in inches.
2. Metric equivalents are given for general information only.
3. Unless otherwise specified, tolerance is ±.005 inch (±0.13 mm).
Figure 1. Resistors, fixed, zero ohm.
4. REGULATORY REQUIREMENTS. The offeror/contractor is encouraged to use recovered materials to
the maximum extent practicable, in accordance with 23.403 of the Federal Acquisition Regulation (FAR).
5. PRODUCT CONFORMANCE PROVISIONS.
5.1 Product conformance. The products provided shall meet the salient characteristics of this CID,
conform to the producer's own drawings, specifications, standards, and quality assurance practices, and
be the same product offered for sale in the commercial market. The Government reserves the right to
require proof of such conformance.
6. PACKAGING. Preservation, packing, and marking shall be specified in the contract or order.
2
For Parts Inquires call Parts Hangar, Inc (727) 493-0744
© Copyright 2015 Integrated Publishing, Inc.
A Service Disabled Veteran Owned Small Business